Автор Тема: квадроцикл на треколах  (Прочитано 60181 раз)

0 Пользователей и 1 Гость просматривают эту тему.

Оффлайн Юрич

  • Участник форума
  • *****
  • Сообщений: 4536
  • ВТС Рэмо-сервис 1965
  • Имя: Геннадий
  • Откуда: Тольятти
  • Техника: ВАЗ-11174 Лада-Калина Универсал
квадроцикл на треколах
« Ответ #60 : Апреля 06, 2021, 12:38:44 pm »
Подшипник 3209-2RS, в Ханты-Мансийске не нашел ни в одном магазине нет
По нашему он зовется 5209:
https://pricebearings.ru/3200-5200-3300-5300/podshipnik-3209-5209/
Я похожий использую на КР, покупал в интернете.

Поломка ведомого диска говорит, ИМХО, о несоосности заневоленных валов: маховика и первичного вала КПП. Скажи спасибо, что не первичный накрылся. Хотя..., как сказать об этом с уверенностью!? Там сталь 19ХГН, она не лопается сразу, может кончиться от усталости в самый не подходящий момент.
Блин, что за наказание, пророчить поломки!?
« Последнее редактирование: Апреля 06, 2021, 12:44:09 pm от Юрич »
Сообщение понравилось: Viktor 159

Оффлайн А.И.86

  • Участник форума
  • *****
  • Сообщений: 521
  • ХМАО
  • Имя: Александр
  • Откуда: ХМАО
квадроцикл на треколах
« Ответ #61 : Апреля 06, 2021, 13:21:42 pm »
Брак? Ампутировать превентивно?

Оффлайн Саныч

  • Участник форума
  • *****
  • Сообщений: 5010
  • Имя: Александр
  • Откуда: Санкт-Петербург
  • Техника: Шеви-Нива
квадроцикл на треколах
« Ответ #62 : Апреля 06, 2021, 14:02:28 pm »
По нашему он зовется 5209:
https://pricebearings.ru/3200-5200-3300-5300/podshipnik-3209-5209/
Я похожий использую на КР, покупал в интернете.

Поломка ведомого диска говорит, ИМХО, о несоосности заневоленных валов: маховика и первичного вала КПП. Скажи спасибо, что не первичный накрылся. Хотя..., как сказать об этом с уверенностью!? Там сталь 19ХГН, она не лопается сразу, может кончиться от усталости в самый не подходящий момент.
Блин, что за наказание, пророчить поломки!?
Мне показалось=плита на коробку не фирменная ? Отсюда и не соосность!

Оффлайн didulya

  • Участник форума
  • *****
  • Сообщений: 8532
  • Откуда: сокол
квадроцикл на треколах
« Ответ #63 : Апреля 06, 2021, 14:38:32 pm »
Между подшипником и валом образовался люфт, думаю причина поломки диска в этом.
Плиту со сцеплением брал за 12 тыс, группа в ВК "SwampTool" комплектующие для болотоходов
А втулки штифты на кпп стояли  ?

Оффлайн riazan

  • Участник форума
  • ****
  • Сообщений: 265
  • Имя: Алексей
  • Откуда: Ханты-Мансийск
  • Техника: Киа Соренто, мотособака, казанка-5
квадроцикл на треколах
« Ответ #64 : Апреля 06, 2021, 16:23:54 pm »
А втулки штифты на кпп стояли  ?
Что это?

Оффлайн А.И.86

  • Участник форума
  • *****
  • Сообщений: 521
  • ХМАО
  • Имя: Александр
  • Откуда: ХМАО
квадроцикл на треколах
« Ответ #65 : Апреля 06, 2021, 16:41:19 pm »


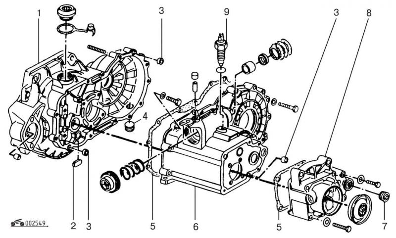
поз. 3

Оффлайн riazan

  • Участник форума
  • ****
  • Сообщений: 265
  • Имя: Алексей
  • Откуда: Ханты-Мансийск
  • Техника: Киа Соренто, мотособака, казанка-5
квадроцикл на треколах
« Ответ #66 : Апреля 06, 2021, 16:51:29 pm »
КПП не разбирал, брал перебраную с валом у Юрича, думаю штифты там на месте

Оффлайн А.И.86

  • Участник форума
  • *****
  • Сообщений: 521
  • ХМАО
  • Имя: Александр
  • Откуда: ХМАО
квадроцикл на треколах
« Ответ #67 : Апреля 06, 2021, 17:17:15 pm »
Не, это не внутри, втулки должны стоять на болтах крепления между коробкой и плитой.

Оффлайн trofkir

  • Участник форума
  • **
  • Сообщений: 92
  • Откуда: СПб
квадроцикл на треколах
« Ответ #68 : Апреля 06, 2021, 17:29:28 pm »
Дело не в плите здесь. Дело в подшипнике- он вышел из строя заклинил и стёр вал. Выход из строя подшипника может быть по самым разным причинам, в том числе возможен брак и самого подшипника. Честно впервые вижу такие поломки диска сцепления.

Оффлайн МВП

  • Global Moderator
  • *****
  • Сообщений: 14462
  • реальный рейтинг -7989
  • Имя: Василий
  • Откуда: Сызрань
квадроцикл на треколах
« Ответ #69 : Апреля 06, 2021, 17:50:20 pm »
Выход из строя подшипника может быть по самым разным причинам, в том числе возможен брак и самого подшипника
Может и брак . А может и залом валом . Тут что крепче , вал , диск или подшипник . Будем надеяться на брак подшипника . Хотя он разлюфтившись не сможет сломать диск который выравнивают в пространстве обороты будь его подшипника совсем нету ,вал обопрется на "гироскоп"

Оффлайн Юрич

  • Участник форума
  • *****
  • Сообщений: 4536
  • ВТС Рэмо-сервис 1965
  • Имя: Геннадий
  • Откуда: Тольятти
  • Техника: ВАЗ-11174 Лада-Калина Универсал
квадроцикл на треколах
« Ответ #70 : Апреля 06, 2021, 18:27:31 pm »
Я втулки не проверяю, они не на коробке стоят по штатному, а на блоке цилиндров двигателя, там у них посадка с бОльшим натягом. чем в КПП. Но, если плита на лазерном раскрое сделана, то там втулки ни к чему...
Можно фото плиты в студию, с той стороны, что к КПП? И КПП со стороны снятой плиты?

Оффлайн Юрич

  • Участник форума
  • *****
  • Сообщений: 4536
  • ВТС Рэмо-сервис 1965
  • Имя: Геннадий
  • Откуда: Тольятти
  • Техника: ВАЗ-11174 Лада-Калина Универсал
квадроцикл на треколах
« Ответ #71 : Апреля 06, 2021, 18:28:49 pm »
Дело в подшипнике- он вышел из строя заклинил и стёр вал.
Это как же надо мордовать подшипник на 45, чтоб он сдох!? Если только брак...

Оффлайн didulya

  • Участник форума
  • *****
  • Сообщений: 8532
  • Откуда: сокол
квадроцикл на треколах
« Ответ #72 : Апреля 06, 2021, 18:44:24 pm »
то там втулки ни к чему.
На болтах плиту не удержать.

Оффлайн Samstan

  • Участник форума
  • *****
  • Сообщений: 4234
  • Имя: Василий
  • Откуда: Вологда
  • Техника: машинка
квадроцикл на треколах
« Ответ #73 : Апреля 06, 2021, 18:52:26 pm »
Но, если плита на лазерном раскрое сделана, то там втулки ни к чему...
Лазер очень точно режет, если попросить. Но некоторые плиты до сих пор плазмой режут.

Оффлайн Лесник-61

  • Участник форума
  • *****
  • Сообщений: 5108
  • Не гадь, где живёшь.
  • Имя: Александр
  • Откуда: Виледь, Архангельской обл
квадроцикл на треколах
« Ответ #74 : Апреля 06, 2021, 18:53:24 pm »
Стоит на болтах и нет ни какого геморроя .

Оффлайн Андрей Таёжник

  • Участник форума
  • ***
  • Сообщений: 197
  • Имя: Андрей
  • Откуда: Тобольск
  • Техника: Болотоход Сибиряк
квадроцикл на треколах
« Ответ #75 : Апреля 06, 2021, 18:58:40 pm »
Да уж конструкция честно говоря колхозная, кольцо на сварку прихватили вот и попробуй в дороге почини, такой одноразовоКитайский агрегат да еще и подшипник хер найдёшь, Тебе конечно печально, но для меня хороший опыт так делать нельзя, у меня 50 км до промыслового участка по болотам и я охренел бы по топят бегать с одноразовым не разборным валом. Еще бы услышать комментарий производителя, что он думает на сей счет.

Оффлайн Samstan

  • Участник форума
  • *****
  • Сообщений: 4234
  • Имя: Василий
  • Откуда: Вологда
  • Техника: машинка
квадроцикл на треколах
« Ответ #76 : Апреля 06, 2021, 19:01:54 pm »
Да уж конструкция честно говоря колхозная
У тебя просто посадка вал/подшипник была прослаблена, кольцо обкатывало вал вот и результат.

Оффлайн riazan

  • Участник форума
  • ****
  • Сообщений: 265
  • Имя: Алексей
  • Откуда: Ханты-Мансийск
  • Техника: Киа Соренто, мотособака, казанка-5
квадроцикл на треколах
« Ответ #77 : Апреля 09, 2021, 16:11:12 pm »
Все таки решил разобрать мост посмотреть что да как, оказалось все в порядке, вместо дифа установил блокировку блокка

Оффлайн riazan

  • Участник форума
  • ****
  • Сообщений: 265
  • Имя: Алексей
  • Откуда: Ханты-Мансийск
  • Техника: Киа Соренто, мотособака, казанка-5
квадроцикл на треколах
« Ответ #78 : Апреля 09, 2021, 16:13:53 pm »
Можно фото плиты в студию, с той стороны, что к КПП? И КПП со стороны снятой плиты?

Оффлайн А.И.86

  • Участник форума
  • *****
  • Сообщений: 521
  • ХМАО
  • Имя: Александр
  • Откуда: ХМАО
квадроцикл на треколах
« Ответ #79 : Апреля 09, 2021, 20:02:27 pm »
Что планируешь делать?

 

Квадроцикл "Огонь".

Автор Юрий.

Ответов: 35
Просмотров: 10520
Последний ответ Октября 09, 2018, 20:54:55 pm
от Serg0676
Квадроцикл без имени на шинах Трэкол 1350х700

Автор Asterix

Ответов: 18
Просмотров: 11035
Последний ответ Июля 27, 2021, 00:15:29 am
от Samstan
Самодельный квадроцикл с АКПП

Автор Сеня

Ответов: 17
Просмотров: 5706
Последний ответ Ноября 07, 2022, 11:06:15 am
от Adler