Автор Тема: Настройка вариатора.  (Прочитано 146858 раз)

0 Пользователей и 1 Гость просматривают эту тему.

Оффлайн петрович51

  • Участник форума
  • *****
  • Сообщений: 1079
  • Имя: Владимир
  • Откуда: Архангельская, Устьянский
Настройка вариатора.
« Ответ #80 : Ноября 16, 2017, 21:37:28 pm »
А вот с ведомым вариатором я повозился- первый вариатор не прошел и тысячи км как разбило неподвижный диск
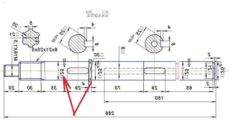
Поставил двух опорный. Покупать вал не стал, а заказал токарю. Вот такой чертеж гуляет по интернету. Только перенес "буртик", опору сделал для неподвижной тарелки и с большим допуском. Посадил неподвижную тарелку на "горячую". Были проблемы с ней и раньше, когда на Буране ездил, да и на мотобуксировщике, тоже было. Больше не стал рисковать.


Оффлайн евгеха

  • Участник форума
  • ****
  • Сообщений: 353
  • Имя: Евгений
  • Откуда: Эстония-Нарва_Россия-Пошехонеье
  • Техника: Мотобуксировщики FisherEX
Настройка вариатора.
« Ответ #81 : Ноября 16, 2017, 23:06:03 pm »
..в скольз почитал, плотнее лень, в итоге через ..опу пришли к расчётам
..варик с китайцем работает на ура, если пч до него хвтает для веса машинки, варик считаем с ПЧ "3" на больше
..мотот 15лс, тяга -2,5гк/м, и будет ва щастье  ::cheesy:::

Цитировать (выделенное)
С ведомым на пневматнике особо ни чего мудрить не надо,чисто заводские настойки и всё(передачи помогут),(акромя межосевого нужно сделать поменьше мм на 3 дабы облегчить включение передач. ИМХО)
..это ведущий трогать не стоит, а вот ведомый как раз настраивается, только под затяжку пружины отверстий просверлить нада
..+ 30;60 гард.

..если что спрашивайте, "собак" поел на варике прилично, ну и пнвматик, один правда, но удачно, едет в стену..

Оффлайн Евген 66

  • Участник форума
  • *****
  • Сообщений: 2143
  • Имя: Евгений
  • Откуда: Свердловская область-ХМАО.
  • Техника: 4*4 маленький к-700
Настройка вариатора.
« Ответ #82 : Ноября 17, 2017, 17:09:40 pm »
На ведомом вариаторе на подвижном диске я просверлил дополнительное отверстие для большего зажима пружины- вариатор стал лучше отрабатывать , а также вместо родных 205 подшипников я поставил 3 штуки 305 -заметно дольше ходят.Рекомендую сразу их ставить.

Оффлайн ПАТРОН

  • Участник форума
  • **
  • Сообщений: 78
  • Имя: Игорь
  • Откуда: онега.архангельская обл.
  • Техника: УАЗ 3962
Настройка вариатора.
« Ответ #83 : Ноября 19, 2017, 01:17:12 am »
а вот ведомый как раз настраивается, только под затяжку пружины отверстий просверлить нада
..+ 30;60 гард.
Евгений,сколько в кг у тебя преднатяг на ведомом?,я имею в виду на пневмате чтоб на стену "лез",а не на мотособаке.
И какие ещё настройки в ведомом можешь предложить,окромя доп отверстий?

плотнее лень
а зря...
в итоге через ..опу пришли к расчётам
...а к итогам ещё не кто и не приходил,про твои расчёты
с ПЧ "3" на больше
..мотот 15лс, тяга -2,5гк/м, и будет ва щастье 
всем давно известны по этому и не обсуждаются...,присоединяйся обоснуй что да как настроено,какой пневмат(вес,колёсья и т.д и т.п) -hi-

Оффлайн didulya

  • Участник форума
  • *****
  • Сообщений: 8532
  • Откуда: сокол
Сообщение понравилось: ПАТРОН

Оффлайн ПАТРОН

  • Участник форума
  • **
  • Сообщений: 78
  • Имя: Игорь
  • Откуда: онега.архангельская обл.
  • Техника: УАЗ 3962
Настройка вариатора.
« Ответ #85 : Ноября 19, 2017, 02:07:40 am »
Пардон Евгений, можешь особо не отвечать,познакомился с твоим аппаратом,но ты всё таки измерь в кг преднатяг ведомого шкива. 

Оффлайн евгеха

  • Участник форума
  • ****
  • Сообщений: 353
  • Имя: Евгений
  • Откуда: Эстония-Нарва_Россия-Пошехонеье
  • Техника: Мотобуксировщики FisherEX
Настройка вариатора.
« Ответ #86 : Ноября 19, 2017, 17:39:12 pm »
ПАТРОН
..привет, имени не вижу  -hi-
..измерить не могу, машинка в Пошехонье живёт, до меня 800км, пружина была затянута по заводскому отверстию на 120град, в кг не знаю
..этой осенью,  после испытательных поездок, выявилась посадка оборотов на некоторых режимах и проскальзывание ремня  ..  по скайпу, объяснил брату как затянуть ещё на 30град, в следующих пробных поездках варик работал более корректно..
..на всякий случай, сразу, досверлено отверстие на 60град

Оффлайн евгеха

  • Участник форума
  • ****
  • Сообщений: 353
  • Имя: Евгений
  • Откуда: Эстония-Нарва_Россия-Пошехонеье
  • Техника: Мотобуксировщики FisherEX
Настройка вариатора.
« Ответ #87 : Ноября 20, 2017, 00:59:23 am »
я имею в виду на пневмате чтоб на стену "лез"
В целом наверное уже понятно, но немного поясню
..варик, одна из составляющих, если до него трансмиссия не сбалансирована , как ни настраивай на стену не полезет
..те как уже писАл килограмм  тяги двигателя, должен соответствовать килограмму веса машины, тогда и варик будет работать как нада..

Оффлайн Лесник-61

  • Участник форума
  • *****
  • Сообщений: 5110
  • Не гадь, где живёшь.
  • Имя: Александр
  • Откуда: Виледь, Архангельской обл
Настройка вариатора.
« Ответ #88 : Ноября 20, 2017, 07:29:37 am »
Мужики, был у меня в восьмидесятых Буран и на сколько я помню там на ведущем вариаторе стоял подшипник между щеками. И на холостых ремень опирался на подшипник и не было самохода. Были такие вариаторы или я обманываюсь?
Этот вариатор откуда , чей?
Не сильно и сложней теперешнего.
« Последнее редактирование: Ноября 20, 2017, 07:50:36 am от Лесник-61 »

Оффлайн петрович51

  • Участник форума
  • *****
  • Сообщений: 1079
  • Имя: Владимир
  • Откуда: Архангельская, Устьянский
Настройка вариатора.
« Ответ #89 : Ноября 20, 2017, 10:09:42 am »
Писал, что вал для двухопорного вариатора точил. Упор, для неподвижной тарелки, сделал в другом месте И ещё, по ходу, пришлось ставить стопорное кольцо.Полумуфта стала сходить со шпонки и упираться в подшипник опоры. Хотя и стояла промежуточная втулка, но ему подшипнику "не понравилось, стал греться". Чертежи не мои. Просто на них показываю, что делал.


Оффлайн петрович51

  • Участник форума
  • *****
  • Сообщений: 1079
  • Имя: Владимир
  • Откуда: Архангельская, Устьянский
Настройка вариатора.
« Ответ #90 : Ноября 20, 2017, 10:17:26 am »
меня в восьмидесятых Буран и на сколько я помню там на ведущем вариаторе стоял подшипник между щеками. И на холостых ремень опирался на подшипник и не было самохода. Были такие вариаторы или я обманываюсь?
Несколько Буранов изъезжено. И сейчас такие вариаторы еще есть. Был самоход, скорость, особенно заднюю не включить, если не затормозить ведомый. Так..., их "крабами" называли. Ничего хорошего в них и не было. Этот "краб", механизм с грузиками, быстро разбивало, правда не разваливался, но ЗВОН шел, далеко слышно было.

Оффлайн Лесник-61

  • Участник форума
  • *****
  • Сообщений: 5110
  • Не гадь, где живёшь.
  • Имя: Александр
  • Откуда: Виледь, Архангельской обл
Настройка вариатора.
« Ответ #91 : Ноября 20, 2017, 10:51:04 am »
А я сейчас прочитал , что такой есть под названием Альпина. Или он и есть "краб"?

Оффлайн Лесник-61

  • Участник форума
  • *****
  • Сообщений: 5110
  • Не гадь, где живёшь.
  • Имя: Александр
  • Откуда: Виледь, Архангельской обл
Настройка вариатора.
« Ответ #92 : Ноября 20, 2017, 10:57:26 am »
И ещё, по ходу, пришлось ставить стопорное кольцо.
В моём ведомом вариаторе стоит промежуточная втулка перед задним подшипником, её тоже потерло подшипником и видно что грелось. Надо тоже сделать проточку под стопорное кольцо.Спасибо за подсказку.

Оффлайн евгеха

  • Участник форума
  • ****
  • Сообщений: 353
  • Имя: Евгений
  • Откуда: Эстония-Нарва_Россия-Пошехонеье
  • Техника: Мотобуксировщики FisherEX
Настройка вариатора.
« Ответ #93 : Ноября 20, 2017, 13:30:11 pm »
..обычно на валах упор там,где у вас стопорное кольцо, те неподвижная тарелка запрессовывается с правой стороны

Оффлайн петрович51

  • Участник форума
  • *****
  • Сообщений: 1079
  • Имя: Владимир
  • Откуда: Архангельская, Устьянский
Настройка вариатора.
« Ответ #94 : Ноября 20, 2017, 15:06:52 pm »
..обычно на валах упор там,где у вас стопорное кольцо, те неподвижная тарелка запрессовывается с правой стороны
Может и зря влез в теме со своими "доработками" ?  Всё зависит, как ставить двигатель, вариатор, какая коробка. Это, в моем варианте, с коробкой от 08, так получилось. Захотелось, двух опорный вал на вариаторе. Все таки, у одноопорного, надо крепче "конструкцию" и опору делать, чтоб "не качало". А ремень , не часто и менять. Хотя , даже на мотобуксировщиках, тоже встречается, типа Балтмоторсов. И, есть же проблемы, что стягивает ремнем неподвижную тарелку с шпонки, если её не застопорить ?  -hi-
« Последнее редактирование: Ноября 20, 2017, 15:19:21 pm от петрович51 »

Оффлайн евгеха

  • Участник форума
  • ****
  • Сообщений: 353
  • Имя: Евгений
  • Откуда: Эстония-Нарва_Россия-Пошехонеье
  • Техника: Мотобуксировщики FisherEX
Настройка вариатора.
« Ответ #95 : Ноября 20, 2017, 16:52:19 pm »
...не важно, двух или одноопорный, упор всегда со стороны не рабочей части, если бы он изначально был там, тарелку к нему прижимало бы, а не  отодвигало
..у балтОв другая конструкция вала, варик с наружи опоры находится

Оффлайн didulya

  • Участник форума
  • *****
  • Сообщений: 8532
  • Откуда: сокол
Настройка вариатора.
« Ответ #96 : Ноября 20, 2017, 17:15:44 pm »
у балтОв другая конструкция вала,
Коль пошла такая пьянка,показывай что и как,лучше один раз увидеть,у меня тока зрительная память пока еще ничего,с остальным беда. ::cheesy:::

Оффлайн хантас

  • Участник форума
  • *****
  • Сообщений: 1451
  • Откуда: арх.обл.п авнюга
  • Техника: ваз-21114,газель, буран
Настройка вариатора.
« Ответ #97 : Ноября 20, 2017, 17:30:45 pm »
А я сейчас прочитал , что такой есть под названием Альпина. Или он и есть "краб"?
Нет Альпина это другой вариатор, намного лучше "краба", у меня на буране сейчас стоит, по сравнению с сафари небо и земля, но под четырехтактники их не делают.

Оффлайн Юрий.

  • Global Moderator
  • *****
  • Сообщений: 6106
  • Откуда: Сибирь
  • Техника: пневмоход 3х2, хонда срв3, мтз-52, мопед, мотолодка.
Настройка вариатора.
« Ответ #98 : Ноября 20, 2017, 19:50:07 pm »
Тема хорошая. Но, извините, надо модератору почистить.  -hi-
Совесть имейте, все ж правила читали, пишите по теме, а то понимаешь на рыбалку отъехать нельзя.
Отделил про качество вариков. https://pnevmohod.ru/forum/index.php?topic=8836.0

Оффлайн serg47

  • Участник форума
  • *****
  • Сообщений: 604
  • Имя: Сергей
  • Откуда: С-Петербург
Настройка вариатора.
« Ответ #99 : Ноября 20, 2017, 22:07:31 pm »
Нет Альпина это другой вариатор, намного лучше "краба", у меня на буране сейчас стоит, по сравнению с сафари небо и земля, но под четырехтактники их не делают.
Да, похоже Альпину на вал 25мм не оденешь, мяса под расточку не хватит и характеристика задается профилем на колоколе, т.е. другие грузики под четырехтактник не повесишь.


 

Установка ведомого вариатора Тайги на кпп ваз

Автор vital

Ответов: 10
Просмотров: 10640
Последний ответ Марта 22, 2018, 06:03:25 am
от Варяг
Реверс-редуктор для вариатора

Автор Сайгак

Ответов: 38
Просмотров: 22935
Последний ответ Января 29, 2015, 15:40:36 pm
от lad.t
Тормоз для вариатора

Автор Вячеслав.

Ответов: 15
Просмотров: 11436
Последний ответ Апреля 27, 2018, 14:49:04 pm
от Петрович11